• Kategorie
  • Szukaj
  • Producent - DELTA

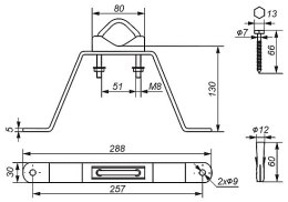
OBEJMA MUROWA OMM-50L13
OBEJMA MUROWA OMM-50L13
Produkt niedostępny